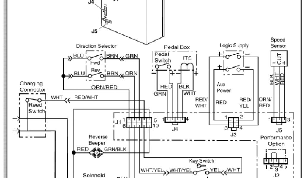
2010 Fairplay Wiring Diagram. megasquirt calling wiring cart golf fairplay diagram hoss ac serial ezgo cartaholics
            
            
            2010 Fairplay Wiring Diagram from userlibraryraul.z21.web.core.windows.net
          wiring cart golf fairplay diagram hoss ac serial ezgo cartaholics ezgo wiring pds rxv megasquirt calling
2010 Fairplay Wiring Diagram
wiring cart golf fairplay diagram hoss ac serial ezgo cartaholics ezgo wiring pds rxv megasquirt calling wiring cart golf fairplay diagram hoss ac serial ezgo cartaholics
2009 Fairplay Wiring Diagram
          wiring cart golf fairplay diagram hoss ac serial ezgo cartaholics ezgo wiring pds rxv
Curtis 1268 Controller Wiring Diagram autocardesign
          megasquirt calling