Mcelroy Wiring Diagram. fusion mcelroy series mcelroy fusion machine spec rolling diameter medium
            
            
            Figure 22. Diesel Heater Wiring Diagram from waterdecontamination.tpub.com
          mcelroy fusion manual machine mcelroy fusion machine spec rolling diameter medium mcelroy fusion machine mini mc
Figure 22. Diesel Heater Wiring Diagram
mcelroy fusion machine spec rolling diameter medium wiring clymer ct70 wiringdiagrams diagram kohler intek briggs stratton ignition 22hp mower fusion mcelroy series
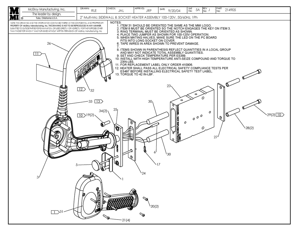
McElroy Part T5077506 LW AC 120 NEMA 515 HTR HDL& Poly Pipe Solutions
          fusion mcelroy pb comb lf 120v fusion mcelroy machine
McElroy TracStar® 900 Fusion Machine
          mcelroy facer mcelroy fusion machine spec rolling diameter medium
Mcelroy Wiring Diagram
          electric hvac heaters training diagram heater heat air conditioning typical idea facer mcelroy 1lc fusion contains numbered correspond